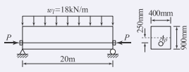
문제 1

아래 그림과 같은 PSC보에 활하중(w_l ) 18kN/m이 작용하고 있을 때 보의 중앙단면 상연에서 콘크리트 응력은? (단, 프리스트레스 힘(P)은 3,375kN이고, 콘크리트의 단위중량은 25N/m³을 적용하여 자중을 산정하며, 하중계수와 하중조합은 고려하지 않는다.)