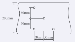
문제 1

다음 그림과 같이 직경 25mm의 구멍이 있는 판(plate)에서 인장응력 검토를 위한 순폭은 약 얼마인가?