2017년 전기산업기사 1회차 64번 - 기출문제 및 해설
문제 1
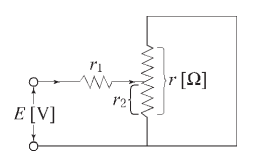
그림과 같은 회로에서
r
1
r_1
r
1
저항에 흐르는 전류를 최소로 하기 위한 저항
r
2
[
Ω
]
r_2[\Omega]
r
2
[
Ω
]
는?
1.
r
1
2
\dfrac{r_1}
2
2
r
1
2.
r
2
\dfrac{r}
2
2
r
3.
r
1
r_1
r
1
4.
r
r
r
💡 로그인하면 학습 진행률이 자동으로 저장되고, 북마크와 오답노트를 사용할 수 있습니다.
이전
다음