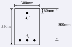
문제 1

{A_s}'=1500mm^2, A_s=1800mm^2로 배근된 그림과 같은 복철근 보의 순간처짐이 10mm일 때, 5년 후 지속하중에 의해 유발되는 장기처짐은?