2020년 토목기사 3회차 66번 - 기출문제 및 해설

문제 1

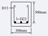
그림의 보에서 계수전단력 VuV_u=262.5kN에 대한 가장 적당한 스터럽 간격은? (단, 사용된 스터럽은 D13철근이다. 철근 D13의 단면적은 127mm², fck=24MPa,fy=350MPaf_{ck}=24MPa, f_y=350MPa이다.)