2016년 토목기사 2회차 50번 - 기출문제 및 해설
문제 1
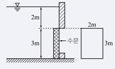
그림과 같이 물속에 수직으로 설치된 2m×3m 넓이의 수문을 올리는 데 필요한 힘은? (단, 수문의 물속 무게는 1960N이고, 수문과 벽면 사이의 마찰계수는 0.25이다.)
1.
5.45kN
2.
53.4kN
3.
126.7kN
4.
271.2kN
💡 로그인하면 학습 진행률이 자동으로 저장되고, 북마크와 오답노트를 사용할 수 있습니다.
이전
다음