2019년 토목기사 2회차 84번 - 기출문제 및 해설
문제 1
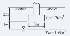
아래 그림과 같은 3m×3m 크기의 정사각형 기초의 극한지지력을 Terzaghi 공식으로 구하면?(단, 내부마찰각(
ϕ
\phi
ϕ
)은 20°, 점착력(
c
c
c
)은 5t/m², 지지력계수
N
c
=
18
,
N
γ
=
5
,
N
q
=
7.5
N_c=18, N_\gamma =5,N_q=7.5
N
c
=
18
,
N
γ
=
5
,
N
q
=
7.5
이다.)
1.
135.71t/m²
2.
149.52t/m²
3.
157.26t/m²
4.
174.38t/m²
💡 로그인하면 학습 진행률이 자동으로 저장되고, 북마크와 오답노트를 사용할 수 있습니다.
이전
다음