2015년 토목기사 2회차 47번 - 기출문제 및 해설
문제 1
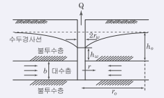
그림과 같이 우물로부터 일정한 양수율로 양수를 하여 우물 속의 수위가 일정하게 유지되고 있다. 대수층은 균질하며 지하수의 흐름은 우물을 향한 방사상 정상류라 할 때 양수율(
Q
Q
Q
)를 구하는 식은? (단,
k
k
k
는 투수계수임)
1.
Q
=
2
π
b
k
h
o
−
h
w
l
n
(
r
o
/
r
w
)
Q=2\pi bk
\frac{h_o-h_w}
{ln(r_o/r_w)}
Q
=
2
πbk
l
n
(
r
o
/
r
w
)
h
o
−
h
w
2.
Q
=
2
π
b
k
l
n
(
r
o
/
r
w
)
h
o
−
h
w
Q=2\pi bk
\frac{ln(r_o/r_w)}
{h_o-h_w}
Q
=
2
πbk
h
o
−
h
w
l
n
(
r
o
/
r
w
)
3.
Q
=
2
π
b
k
h
o
2
−
h
w
2
l
n
(
r
o
/
r
w
)
Q=2\pi bk
\frac{h_{o}
^{2}-h_{w}^{2}}{ln(r_o/r_w)}
Q
=
2
πbk
l
n
(
r
o
/
r
w
)
h
o
2
−
h
w
2
4.
Q
=
2
π
b
k
l
n
(
r
o
/
r
w
)
h
o
2
−
h
w
2
Q=2\pi bk
\frac{ln(r_o/r_w)}
{h_{o}^{2}-h_{w}^{2}}
Q
=
2
πbk
h
o
2
−
h
w
2
l
n
(
r
o
/
r
w
)
💡 로그인하면 학습 진행률이 자동으로 저장되고, 북마크와 오답노트를 사용할 수 있습니다.
이전
다음