2023년 토목기사 2회차 68번 - 기출문제 및 해설
문제 1
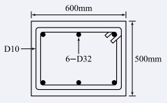
그림과 같은 띠철근 기둥에서 띠철근으로 D10(공칭지름 9.5mm) 및 축방향철근으로 D32(공칭지름 31.8mm)의 철근을 사용할 때, 띠철근의 최대 수직간격은?
1.
450mm
2.
456mm
3.
500mm
4.
509mm
💡 로그인하면 학습 진행률이 자동으로 저장되고, 북마크와 오답노트를 사용할 수 있습니다.
이전
다음