2019년 토목기사 1회차 44번 - 기출문제 및 해설
문제 1
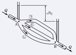
그림과 같은 병열관수로 ㉠, ㉡, ㉢에서 각 관의 지름과 관의 길이를 각각
D
1
,
D
2
,
D
3
,
L
1
,
L
2
,
L
3
D_1,D_2,D_3,L_1,L_2,L_3
D
1
,
D
2
,
D
3
,
L
1
,
L
2
,
L
3
라 할 때
D
1
>
D
2
>
D
3
D_1>D_2>D_3
D
1
>
D
2
>
D
3
이고
L
1
>
L
2
>
L
3
L_1>L_2>L_3
L
1
>
L
2
>
L
3
이면 A점과 B점 사이의 손실수두는?
1.
㉠의 손실수두가 가장 크다.
2.
㉡의 손실수두가 가장 크다.
3.
㉢에서만 손실수두가 발생한다.
4.
모든 관의 손실수두가 같다.
💡 로그인하면 학습 진행률이 자동으로 저장되고, 북마크와 오답노트를 사용할 수 있습니다.
이전
다음