2023년 토목기사 1회차 4번 - 기출문제 및 해설
문제 1
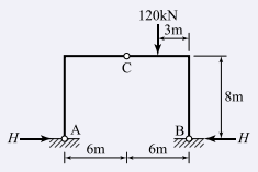
그림의 라멘에서 수평반력 H는?
1.
90kN
2.
45kN
3.
30kN
4.
22.5kN
💡 로그인하면 학습 진행률이 자동으로 저장되고, 북마크와 오답노트를 사용할 수 있습니다.
이전
다음