2014년 토목기사 4회차 61번 - 기출문제 및 해설

문제 1

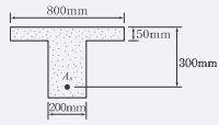
그림과 같은 T형 단면의 보에서 설계 휨모멘트강도(ϕMn\phi M_n)을 구하면? (단, 과소 철근보이고, fck=21MPa,fy=400MPa,As=1926mm2f_{ck}=21MPa, f_y= 400MPa, A_s=1926mm²이고, 인장지배단면이다.)