2014년 토목기사 2회차 6번 - 기출문제 및 해설
문제 1
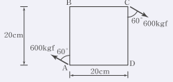
600kgf의 힘이 그림과 같이 A와 C의 모서리에 작용하고 있다. 이 두 힘에 의해서 발생하는 모멘트는?
1.
163.9
k
g
f
⋅
m
163.9kgf\cdot m
163.9
k
g
f
⋅
m
2.
169.7
k
g
f
⋅
m
169.7kgf\cdot m
169.7
k
g
f
⋅
m
3.
173.9
k
g
f
⋅
m
173.9kgf\cdot m
173.9
k
g
f
⋅
m
4.
179.7
k
g
f
⋅
m
179.7kgf\cdot m
179.7
k
g
f
⋅
m
💡 로그인하면 학습 진행률이 자동으로 저장되고, 북마크와 오답노트를 사용할 수 있습니다.
이전
다음