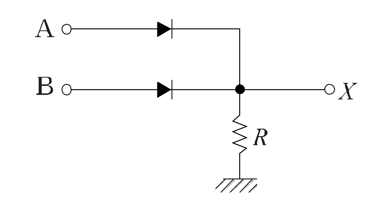
문제 1

그림의 회로는 어느 게이트에 해당하는가?