2008년 전기기사 1회차 73번 - 기출문제 및 해설
문제 1
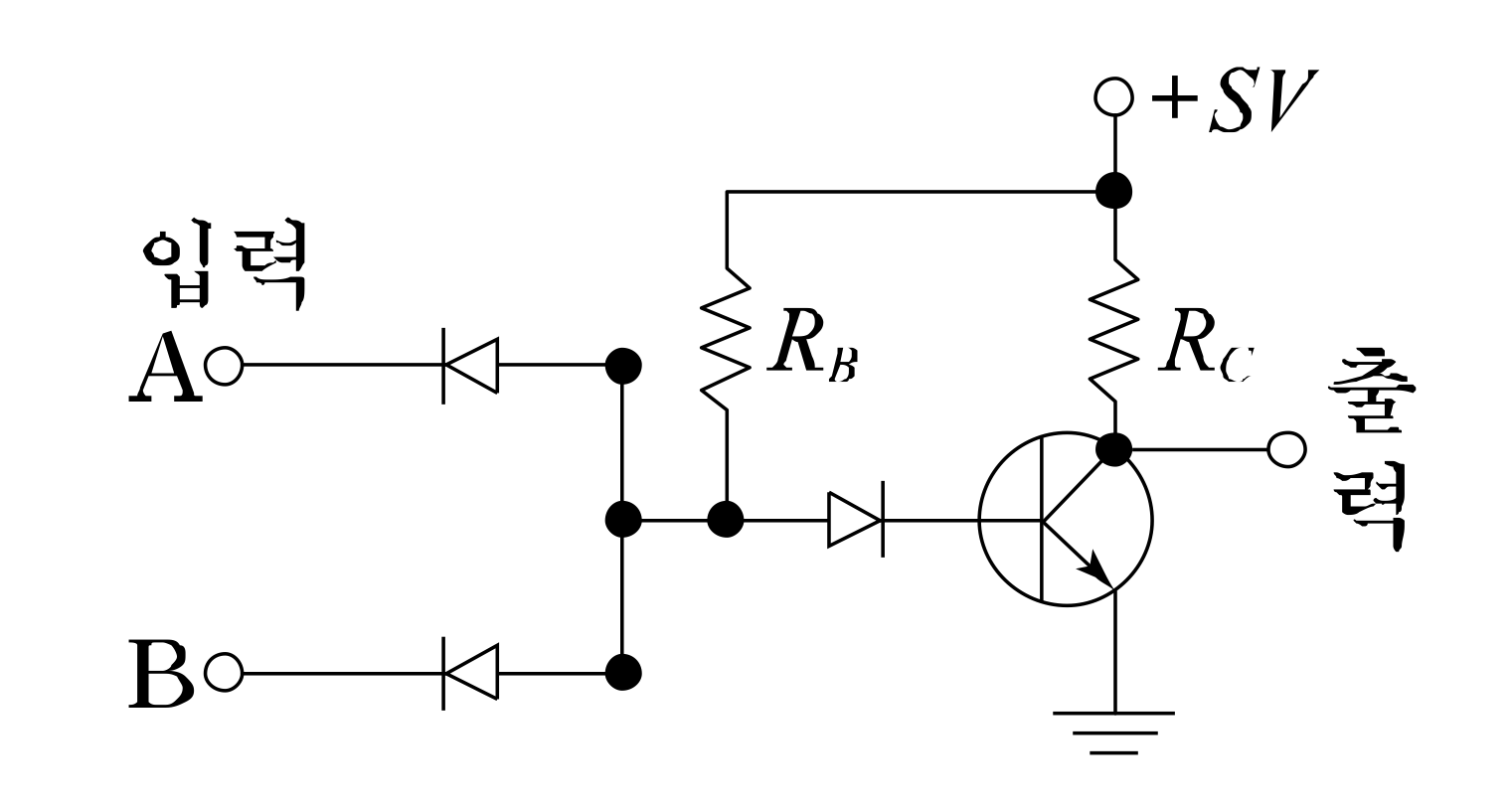
그림과 같은 회로는 어떤 논리회로 인가?
1.
AND 회로
2.
NAND 회로
3.
OR 회로
4.
NOR 회로
💡 로그인하면 학습 진행률이 자동으로 저장되고, 북마크와 오답노트를 사용할 수 있습니다.
이전
다음