2015년 전기기사 3회차 67번 - 기출문제 및 해설
문제 1
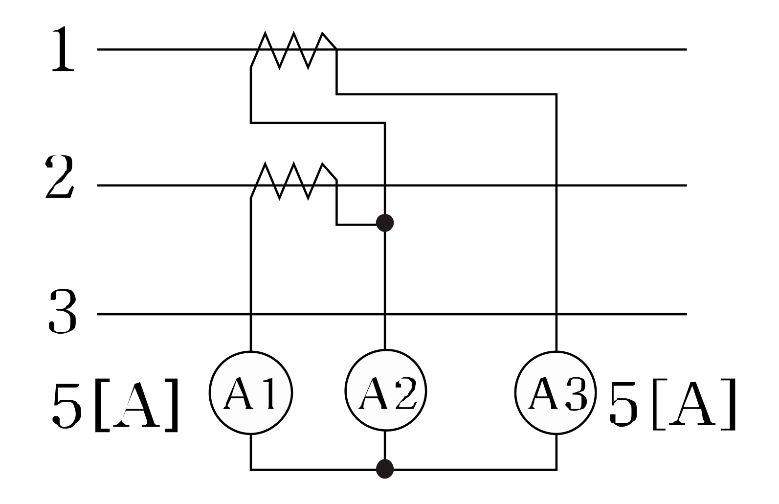
평형 3상 회로에서 그림과 같이 변류기를 접속하고 전류계를 연결하였을 때,
A
2
A_2
A
2
에 흐르는 전류 [
A
A
A
]는?
1.
5√3
2.
5√2
3.
5
4.
0
💡 로그인하면 학습 진행률이 자동으로 저장되고, 북마크와 오답노트를 사용할 수 있습니다.
이전
다음