2015년 전기기사 3회차 49번 - 기출문제 및 해설
문제 1
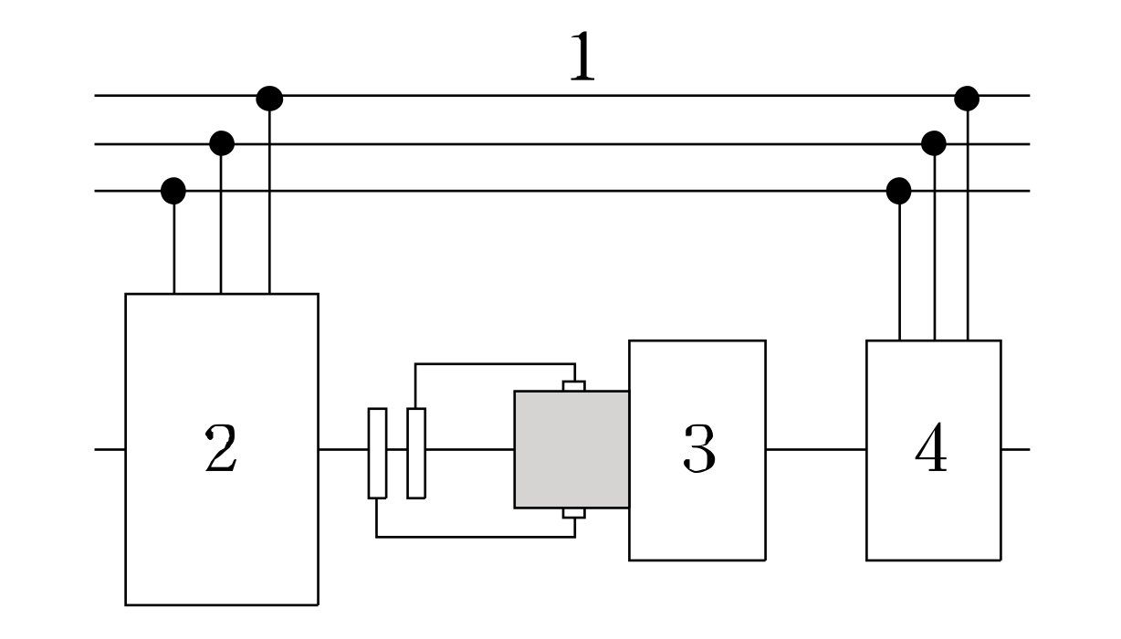
그림은 동기 발전기의 구동 개념도이다. 그림에서 2를 발전기라 할때 3의 명칭으로 적합한 것은?
1.
전동기
2.
여자기
3.
원동기
4.
제동기
💡 로그인하면 학습 진행률이 자동으로 저장되고, 북마크와 오답노트를 사용할 수 있습니다.
이전
다음