2013년 전기기사 1회차 71번 - 기출문제 및 해설
문제 1
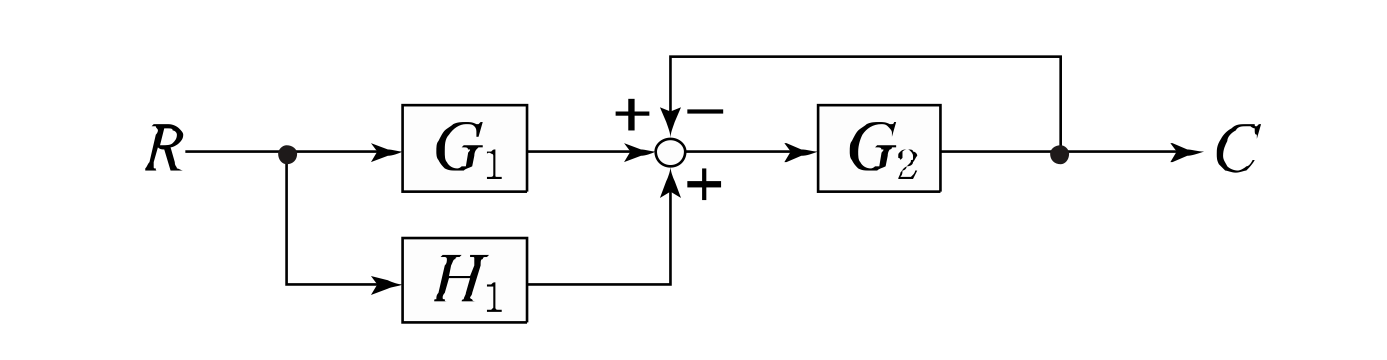
다음 블록선도에서 C/R 는?
1.
H
1
1
+
G
1
G
2
\frac{H_1}
{1+G_1G_2}
1
+
G
1
G
2
H
1
2.
G
2
(
G
1
+
H
1
)
1
+
G
2
\frac{G_2(G_1 +H_1)}
{1+G_2}
1
+
G
2
G
2
(
G
1
+
H
1
)
3.
1
+
G
2
G
2
(
G
1
+
H
1
)
\frac{1+G_2}
{G_2(G_1 +H_1)}
G
2
(
G
1
+
H
1
)
1
+
G
2
4.
G
1
G
2
1
+
G
1
G
2
H
1
\frac{G_1G_2}
{1+G_1G_2H_1}
1
+
G
1
G
2
H
1
G
1
G
2
💡 로그인하면 학습 진행률이 자동으로 저장되고, 북마크와 오답노트를 사용할 수 있습니다.
이전
다음