2012년 전기기사 2회차 70번 - 기출문제 및 해설
문제 1
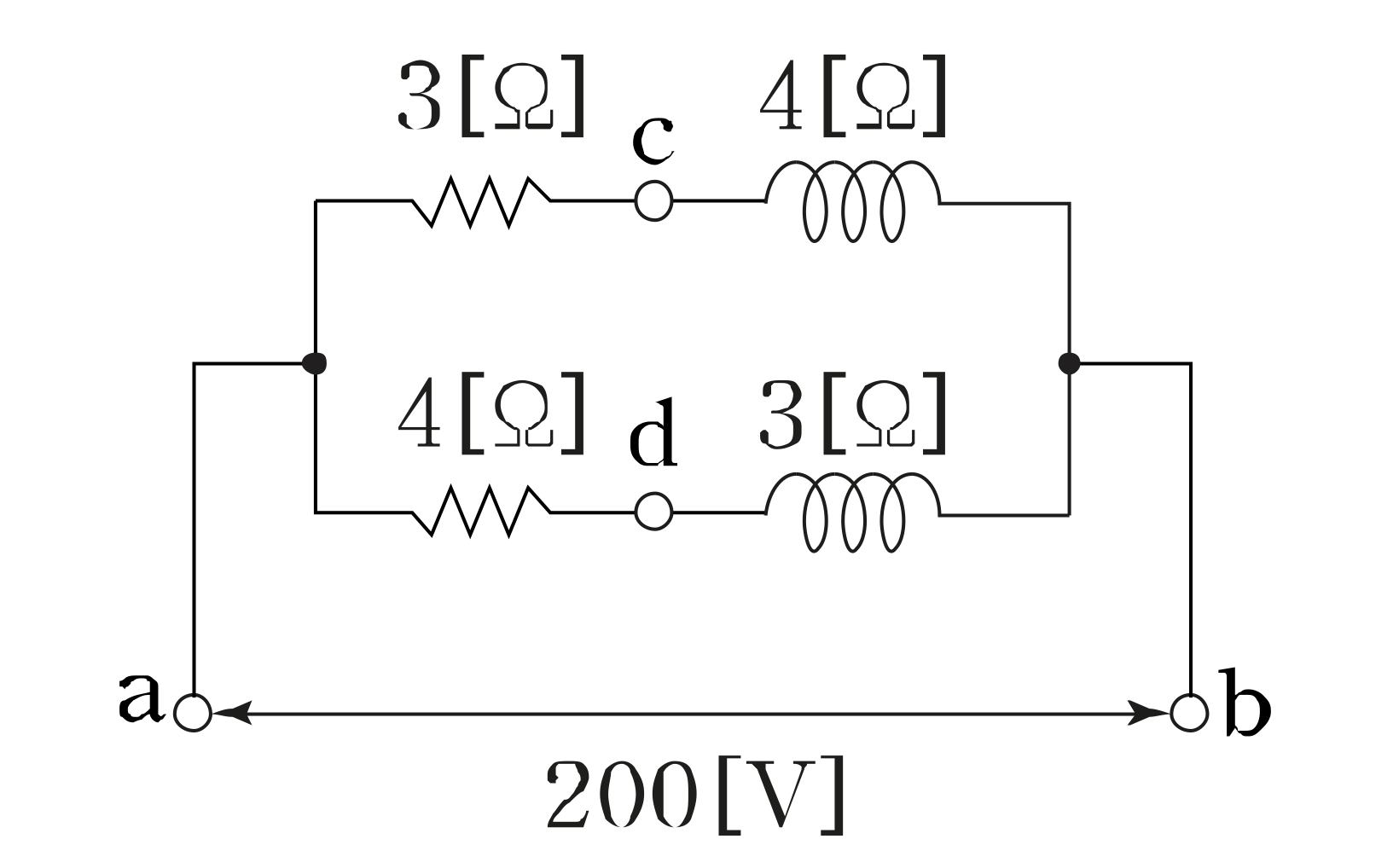
회로에서 단자 a, b 사이에 교류전압
200
[
V
]
200[V]
200
[
V
]
를 가하였을 때, c, d 사이의 전위차는 몇
[
V
]
[V]
[
V
]
인가?
1.
46
[
V
]
[V]
[
V
]
2.
96
[
V
]
[V]
[
V
]
3.
56
[
V
]
[V]
[
V
]
4.
76
[
V
]
[V]
[
V
]
💡 로그인하면 학습 진행률이 자동으로 저장되고, 북마크와 오답노트를 사용할 수 있습니다.
이전
다음