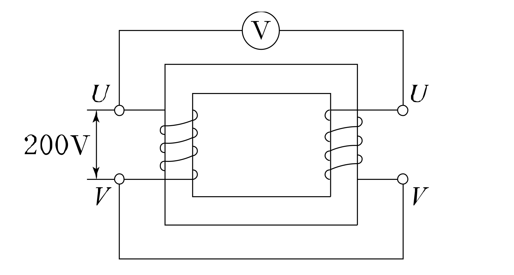
2020년 전기기사 4회차 58번 - 기출문제 및 해설
문제 1
210
/
105
V
210/105 V
210/105
V
의 변압기를 그림과 같이 결선하고 고압측에
200
V
200 V
200
V
의 전압을 가하면 전압계의 지시는 몇
V
V
V
인가? (단, 변압기는 가극성이다.)
1.
100
100
100
2.
200
200
200
3.
300
300
300
4.
400
400
400
💡 로그인하면 학습 진행률이 자동으로 저장되고, 북마크와 오답노트를 사용할 수 있습니다.
이전
다음