2016년 토목기사 4회차 3번 - 기출문제 및 해설
문제 1
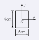
그림에서 직사각형의 도심축에 대한 단면상승모멘트
I
x
y
I_{xy}
I
x
y
의 크기는?
1.
576
c
m
4
576cm^4
576
c
m
4
2.
256
c
m
4
256cm^4
256
c
m
4
3.
142
c
m
4
142cm^4
142
c
m
4
4.
0
c
m
4
0cm^4
0
c
m
4
💡 로그인하면 학습 진행률이 자동으로 저장되고, 북마크와 오답노트를 사용할 수 있습니다.
이전
다음