2016년 전산응용기계제도기능사 1회차 38번 - 기출문제 및 해설
문제 1
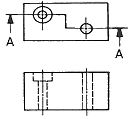
다음 투상도에서 A-A와 같이 단면했을 때 가장 올바르게 나타낸 단면도는?
1.
2.
3.
4.
💡 로그인하면 학습 진행률이 자동으로 저장되고, 북마크와 오답노트를 사용할 수 있습니다.
이전
다음