2015년 전산응용기계제도기능사 5회차 40번 - 기출문제 및 해설

문제 1

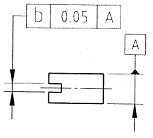
그림의 “b"부분에 들어갈 기하 공차 기호로 가장 옳은 것은?