2015년 전기산업기사 3회차 66번 - 기출문제 및 해설
문제 1
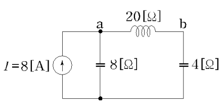
그림과 같은 회로에서 단자
a
−
b
\rm a-b
a
−
b
의 전압
V
a
b
[
V
]
V_{a b}[
V
\mathrm{V}
V
]
V
ab
[
V
]
는?
1.
−
j
160
-j160
−
j
160
2.
j
160
j160
j
160
3.
40
40
40
4.
80
80
80
💡 로그인하면 학습 진행률이 자동으로 저장되고, 북마크와 오답노트를 사용할 수 있습니다.
댓글
0/500
등록
이전
다음