2016년 전기산업기사 2회차 80번 - 기출문제 및 해설
문제 1
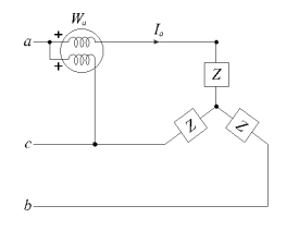
그림은 상순이
a
−
b
−
c
a-b-c
a
−
b
−
c
인
3
3
3
상 대칭회로이다. 선간 전압이
220
[
V
]
220\rm[V]
220
[
V
]
이고 부하 한 상의 임피던스가
100
∠
60
∘
[
Ω
]
100\angle60^\circ[\Omega]
100∠6
0
∘
[
Ω
]
일 때 전력계
W
a
W_a
W
a
의 지시값
[
W
]
\rm[W]
[
W
]
은?
1.
242
242
242
2.
386
386
386
3.
419
419
419
4.
484
484
484
💡 로그인하면 학습 진행률이 자동으로 저장되고, 북마크와 오답노트를 사용할 수 있습니다.
이전
다음