2016년 전기산업기사 2회차 67번 - 기출문제 및 해설
문제 1
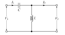
그림과 같은
L
L
L
형 회로의
4
4
4
단자
A
,
B
,
C
,
D
A, B, C, D
A
,
B
,
C
,
D
정수 중
A
A
A
는?
1.
1
+
1
ω
L
C
1+\dfrac1{\omega LC}
1
+
ω
L
C
1
2.
1
−
1
ω
2
L
C
1-\dfrac1{\omega^2 LC}
1
−
ω
2
L
C
1
3.
1
+
1
j
ω
L
1+\dfrac1{j\omega L}
1
+
jω
L
1
4.
1
2
L
C
\dfrac1{2
L
C
\sqrt{LC}
L
C
}
2
L
C
1
💡 로그인하면 학습 진행률이 자동으로 저장되고, 북마크와 오답노트를 사용할 수 있습니다.
이전
다음