2015년 전기산업기사 1회차 74번 - 기출문제 및 해설
문제 1
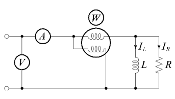
회로에서 각 계기들의 지시값은 다음과 같다. 전압계
V
V
V
는
240
[
V
]
\rm 240[V]
240
[
V
]
, 전류계
A
A
A
는
5
[
A
]
\rm 5[A]
5
[
A
]
, 전력계
W
W
W
는
720
[
W
]
\rm 720[W]
720
[
W
]
이다. 이때 인덕턴스
L
[
H
]
L[
H
\mathrm{H}
H
]
L
[
H
]
은 얼마인가? (단, 전원주파수는
60
[
H
z
]
\rm 60[Hz]
60
[
Hz
]
이다.)
1.
1
π
\frac{1}
{\pi}
π
1
2.
1
2
π
\frac{1}
{2 \pi}
2
π
1
3.
1
3
π
\frac{1}
{3 \pi}
3
π
1
4.
1
4
π
\frac{1}
{4 \pi}
4
π
1
💡 로그인하면 학습 진행률이 자동으로 저장되고, 북마크와 오답노트를 사용할 수 있습니다.
이전
다음