2017년 전기산업기사 2회차 63번 - 기출문제 및 해설
문제 1
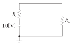
다음 회로에서 부하
R
R
R
에 최대 전력이 공급될 때의 전력 값이
5
[
W
]
5\rm[W]
5
[
W
]
라고 하면
R
L
+
R
i
R_L+R_i
R
L
+
R
i
의 값은 몇
[
Ω
]
[\Omega]
[
Ω
]
인가? (단,
R
i
R_i
R
i
는 전원의 내부저항이다.)
1.
5
5
5
2.
10
10
10
3.
20
20
20
4.
25
25
25
💡 로그인하면 학습 진행률이 자동으로 저장되고, 북마크와 오답노트를 사용할 수 있습니다.
이전
다음