2014년 전기산업기사 1회차 66번 - 기출문제 및 해설
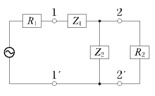
문제 1
L
\rm L
L
형
4
4
4
단자 회로망에서
R
1
,
R
2
R_1, R_2
R
1
,
R
2
를 정합하기 위한
Z
1
Z_1
Z
1
은? (단,
R
2
>
R
1
R_2>R_1
R
2
>
R
1
이다.)
1.
±
j
R
2
R
1
R
2
−
R
1
\pm j R_2
\sqrt{\frac{R_1}
{R_2-R_1}}
±
j
R
2
R
2
−
R
1
R
1
2.
±
j
R
1
R
1
R
2
−
R
1
\pm j R_1
\sqrt{\frac{R_1}
{R_2-R_1}}
±
j
R
1
R
2
−
R
1
R
1
3.
±
j
R
2
(
R
2
−
R
1
)
\pm j
R
2
(
R
2
−
R
1
)
\sqrt{R_2(R_2-R_1)}
R
2
(
R
2
−
R
1
)
±
j
R
2
(
R
2
−
R
1
)
4.
±
j
R
1
(
R
2
−
R
1
)
\pm j
R
1
(
R
2
−
R
1
)
\sqrt{R_1\left(R_2-R_1\right)}
R
1
(
R
2
−
R
1
)
±
j
R
1
(
R
2
−
R
1
)
💡 로그인하면 학습 진행률이 자동으로 저장되고, 북마크와 오답노트를 사용할 수 있습니다.
이전
다음