2018년 전기산업기사 2회차 79번 - 기출문제 및 해설
문제 1
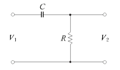
전기회로의 입력
V
1
V_1
V
1
, 출력을
V
2
V_2
V
2
라고 할 때 전달함수는? (단,
s
=
j
ω
s=j\omega
s
=
jω
이다.)
1.
1
R
+
1
j
ω
C
\dfrac1{R+\dfrac1{j\omega C}}
R
+
jω
C
1
1
2.
1
j
ω
+
1
R
C
\dfrac1{j\omega+\dfrac1{RC}}
jω
+
RC
1
1
3.
j
ω
j
ω
+
1
R
C
\dfrac{j\omega}
{j\omega+\dfrac1{RC}}
jω
+
RC
1
jω
4.
j
ω
R
+
1
j
ω
C
\dfrac{j\omega}
{R+\dfrac1{j\omega C}}
R
+
jω
C
1
jω
💡 로그인하면 학습 진행률이 자동으로 저장되고, 북마크와 오답노트를 사용할 수 있습니다.
이전
다음