2013년 전기산업기사 2회차 73번 - 기출문제 및 해설
문제 1
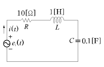
그림의
R
−
L
−
C
R-L-C
R
−
L
−
C
직렬회로에서 입력을 전압
e
i
(
t
)
e_i(t)
e
i
(
t
)
, 출력을 전류
i
(
t
)
i(t)
i
(
t
)
로 할 때 이 계의 전달함수는?
1.
s
s
2
+
10
s
+
10
\frac{s}
{s^2+10 s+10}
s
2
+
10
s
+
10
s
2.
10
s
s
2
+
10
s
+
10
\frac{10 s}
{s^2+10 s+10}
s
2
+
10
s
+
10
10
s
3.
s
s
2
+
s
+
1
\frac{s}
{s^2+s+1}
s
2
+
s
+
1
s
4.
10
s
s
2
+
s
+
1
\frac{10 s}
{s^2+s+1}
s
2
+
s
+
1
10
s
💡 로그인하면 학습 진행률이 자동으로 저장되고, 북마크와 오답노트를 사용할 수 있습니다.
이전
다음