2018년 전기산업기사 1회차 64번 - 기출문제 및 해설
문제 1
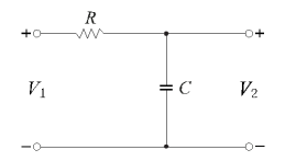
회로의 전압비 전달함수
G
(
s
)
=
V
2
(
s
)
V
1
(
s
)
G(s)=
\dfrac{V_2(s)}
{V_1(s)}
G
(
s
)
=
V
1
(
s
)
V
2
(
s
)
는?
1.
R
C
RC
RC
2.
1
R
C
\dfrac1{RC}
RC
1
3.
R
C
s
+
1
RCs+1
RC
s
+
1
4.
1
R
C
s
+
1
\dfrac1{RCs+1}
RC
s
+
1
1
💡 로그인하면 학습 진행률이 자동으로 저장되고, 북마크와 오답노트를 사용할 수 있습니다.
이전
다음