2021년 전기산업기사 2회차 77번 - 기출문제 및 해설

문제 1

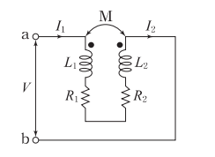
그림과 같이 접속된 회로의 단자 a,b\rm a, b에서 본 등가임피던스는 어떻게 표현되는가?