2021년 전기산업기사 3회차 73번 - 기출문제 및 해설
문제 1
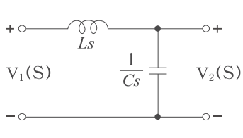
그림과 같은 회로에서
V
1
(
S
)
\rm V_1(S)
V
1
(
S
)
를 입력,
V
2
(
S
)
\rm V_2(S)
V
2
(
S
)
를 출력으로 한 전달함수는? (단,
L
=
1
[
H
]
L=1[
H
\mathrm{H}
H
]
L
=
1
[
H
]
,
C
=
1
[
F
]
C=1[
F
\mathrm{~F}
F
]
C
=
1
[
F
]
이다.)
1.
1
s
+
1
\rm
\frac{1}
{s+1}
s
+
1
1
2.
1
s
2
+
s
\rm
\frac{1}
{s^2+s}
s
2
+
s
1
3.
1
s
2
+
1
\rm
\frac{1}
{s^2+1}
s
2
+
1
1
4.
s
s
2
+
1
\rm
\frac{s}
{s^2+1}
s
2
+
1
s
💡 로그인하면 학습 진행률이 자동으로 저장되고, 북마크와 오답노트를 사용할 수 있습니다.
이전
다음