2021년 전기산업기사 1회차 66번 - 기출문제 및 해설
문제 1
R
−
L
−
C
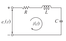
R-L-C
R
−
L
−
C
회로망에서 입력전압을
e
i
(
t
)
[
V
]
e_i(t)\rm[V]
e
i
(
t
)
[
V
]
, 출력량을 전류
i
(
t
)
[
A
]
i(t)\rm[A]
i
(
t
)
[
A
]
로 할 때, 이 요소의 전달함수는?
1.
R
s
L
C
s
2
+
R
C
s
+
1
\dfrac{Rs}
{LCs^2+RCs+1}
L
C
s
2
+
RC
s
+
1
R
s
2.
R
L
s
L
C
s
2
+
R
C
s
+
1
\dfrac{RLs}
{LCs^2+RCs+1}
L
C
s
2
+
RC
s
+
1
R
L
s
3.
L
s
L
C
s
2
+
R
C
s
+
1
\dfrac{Ls}
{LCs^2+RCs+1}
L
C
s
2
+
RC
s
+
1
L
s
4.
C
s
L
C
s
2
+
R
C
s
+
1
\dfrac{Cs}
{LCs^2+RCs+1}
L
C
s
2
+
RC
s
+
1
C
s
💡 로그인하면 학습 진행률이 자동으로 저장되고, 북마크와 오답노트를 사용할 수 있습니다.
이전
다음