2022년 전기산업기사 1회차 71번 - 기출문제 및 해설
문제 1
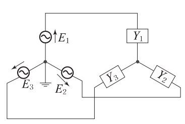
그림과 같은 불평형
Y
\rm Y
Y
형 회로에 평형
3
3
3
상 전압을 가할 경우 중성점의 전위
V
n
[
V
]
V_n[
V
\mathrm{V}
V
]
V
n
[
V
]
는? (단,
Y
1
,
Y
2
,
Y
3
Y_1, Y_2, Y_3
Y
1
,
Y
2
,
Y
3
는 각 상의 어드미턴스
[
℧
]
[\mho]
[
℧
]
이고,
Z
1
,
Z
2
,
Z
3
Z_1, Z_2, Z_3
Z
1
,
Z
2
,
Z
3
는 각 어드미턴스에 대한 임피던스
[
Ω
]
[\Omega]
[
Ω
]
이다.)
1.
E
1
+
E
2
+
E
3
Z
1
+
Z
2
+
Z
3
\frac{E_1+E_2+E_3}
{Z_1+Z_2+Z_3}
Z
1
+
Z
2
+
Z
3
E
1
+
E
2
+
E
3
2.
Z
1
E
1
+
Z
2
E
2
+
Z
3
E
3
Z
1
+
Z
2
+
Z
3
\frac{Z_1 E_1+Z_2 E_2+Z_3 E_3}
{Z_1+Z_2+Z_3}
Z
1
+
Z
2
+
Z
3
Z
1
E
1
+
Z
2
E
2
+
Z
3
E
3
3.
E
1
+
E
2
+
E
3
Y
1
+
Y
2
+
Y
3
\frac{E_1+E_2+E_3}
{Y_1+Y_2+Y_3}
Y
1
+
Y
2
+
Y
3
E
1
+
E
2
+
E
3
4.
Y
1
E
1
+
Y
2
E
2
+
Y
3
E
3
Y
1
+
Y
2
+
Y
3
\frac{Y_1 E_1+Y_2 E_2+Y_3 E_3}
{Y_1+Y_2+Y_3}
Y
1
+
Y
2
+
Y
3
Y
1
E
1
+
Y
2
E
2
+
Y
3
E
3
💡 로그인하면 학습 진행률이 자동으로 저장되고, 북마크와 오답노트를 사용할 수 있습니다.
이전
다음