2020년 전기산업기사 4회차 62번 - 기출문제 및 해설

문제 1

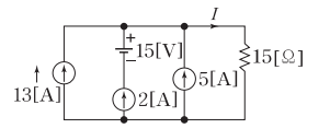
그림과 같은 회로에서 15[Ω]15[\Omega]에 흐르는 전류는 몇 [A]\rm[A]인가?