2022년 전기산업기사 2회차 79번 - 기출문제 및 해설
문제 1
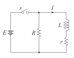
정상상태에서 시간
t
=
0
t=0
t
=
0
일 때 스위치
s
s
s
를 열면 흐르는 전류
I
I
I
는?
1.
E
R
e
−
R
+
r
L
t
\frac{E}
{R} e^{\large-
\frac{R+r}
{L} t}
R
E
e
−
L
R
+
r
t
2.
E
r
e
−
R
+
r
L
t
\frac{E}
{r} e^{\large-
\frac{R+r}
{L} t}
r
E
e
−
L
R
+
r
t
3.
E
r
e
−
L
R
+
r
t
\frac{E}
{r} e^{\large-
\frac{L}
{R+r} t}
r
E
e
−
R
+
r
L
t
4.
E
R
e
−
L
R
+
r
t
\frac{E}
{R} e^{\large-
\frac{L}
{R+r} t}
R
E
e
−
R
+
r
L
t
💡 로그인하면 학습 진행률이 자동으로 저장되고, 북마크와 오답노트를 사용할 수 있습니다.
이전
다음