2022년 전기산업기사 2회차 76번 - 기출문제 및 해설
문제 1
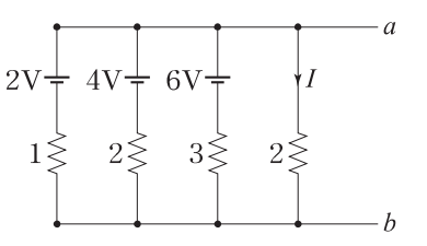
그림의 회로에서 전류
I
I
I
는 약 몇
[
A
]
\rm [A]
[
A
]
인가? (단, 저항의 단위는
[
Ω
]
[Ω]
[
Ω
]
이다.)
1.
1.125
1.125
1.125
2.
1.29
1.29
1.29
3.
6
6
6
4.
7
7
7
💡 로그인하면 학습 진행률이 자동으로 저장되고, 북마크와 오답노트를 사용할 수 있습니다.
이전
다음