2020년 전기산업기사 1, 2회차 66번 - 기출문제 및 해설

문제 1

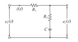
그림과 같은 회로의 전달함수는? (단, 초기조건은 00이다.)