2023년 전기산업기사 1회차 74번 - 기출문제 및 해설
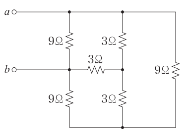
문제 1
9
[
Ω
]
9[\Omega]
9
[
Ω
]
과
3
[
Ω
]
3[\Omega]
3
[
Ω
]
인 저항
6
6
6
개를 그림과 같이 연결하였을 때,
a
a
a
와
b
b
b
사이의 합성저항
[
Ω
]
[\Omega]
[
Ω
]
은?
1.
9
9
9
2.
4
4
4
3.
3
3
3
4.
2
2
2
💡 로그인하면 학습 진행률이 자동으로 저장되고, 북마크와 오답노트를 사용할 수 있습니다.
이전
다음