2019년 전기산업기사 3회차 71번 - 기출문제 및 해설
문제 1
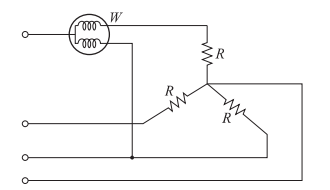
평형
3
3
3
상 저항 부하가
3
3
3
상
4
4
4
선식 회로에 접속되어 있을 때 단상 전력계를 그림과 같이 접속하였더니 그 지시 값이
W
[
W
]
W\rm[W]
W
[
W
]
이었다. 이 부하의
3
3
3
상 전력
[
W
]
\rm[W]
[
W
]
은?
1.
2
W
\sqrt2\ W
2
W
2.
2
W
2\ W
2
W
3.
3
W
\sqrt3\ W
3
W
4.
3
W
3\ W
3
W
💡 로그인하면 학습 진행률이 자동으로 저장되고, 북마크와 오답노트를 사용할 수 있습니다.
이전
다음