2023년 전기산업기사 2회차 72번 - 기출문제 및 해설
문제 1
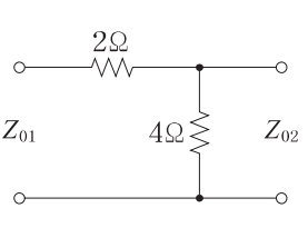
그림과 같은 회로의 영상 임피던스
Z
01
,
Z
02
[
Ω
]
Z_{01},Z_{02}\rm[\Omega]
Z
01
,
Z
02
[
Ω
]
는 각각 얼마인가?
1.
12
,
16
3
12
\sqrt{12}
12
,
\sqrt{\frac{16}
{3}}
12
,
3
16
2.
12
,
10
3
12
\sqrt{12}
12
,
\sqrt{\frac{10}
{3}}
12
,
3
10
3.
10
,
16
3
10
\sqrt{10}
10
,
\sqrt{\frac{16}
{3}}
10
,
3
16
4.
10
,
10
3
10
\sqrt{10}
10
,
\sqrt{\frac{10}
{3}}
10
,
3
10
💡 로그인하면 학습 진행률이 자동으로 저장되고, 북마크와 오답노트를 사용할 수 있습니다.
이전
다음