2019년 전기산업기사 2회차 24번 - 기출문제 및 해설
문제 1
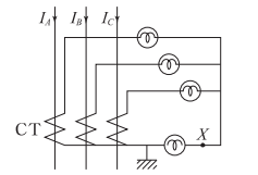
그림에서
X
X
X
부분에 흐르는 전류는 어떤 전류인가?
1.
b상전류
2.
정상전류
3.
역상전류
4.
영상전류
💡 로그인하면 학습 진행률이 자동으로 저장되고, 북마크와 오답노트를 사용할 수 있습니다.
이전
다음