2024년 전기산업기사 3회차 62번 - 기출문제 및 해설
문제 1
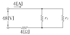
그림과 같은 회로에서 저항
r
1
,
r
2
r_1,r_2
r
1
,
r
2
에 흐르는 전류의 크기가 1 : 2의 비율이라면
r
1
,
r
2
r_1,r_2
r
1
,
r
2
는 각각 몇 [Ω]인가?
1.
r
1
=
6
,
r
2
=
3
r_1=6, r_2=3
r
1
=
6
,
r
2
=
3
2.
r
1
=
8
,
r
2
=
4
r_1=8, r_2=4
r
1
=
8
,
r
2
=
4
3.
r
1
=
16
,
r
2
=
8
r_1=16, r_2=8
r
1
=
16
,
r
2
=
8
4.
r
1
=
24
,
r
2
=
12
r_1=24, r_2=12
r
1
=
24
,
r
2
=
12
💡 로그인하면 학습 진행률이 자동으로 저장되고, 북마크와 오답노트를 사용할 수 있습니다.
이전
다음