2024년 전기산업기사 2회차 74번 - 기출문제 및 해설
문제 1
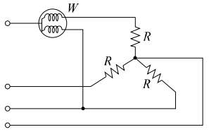
평형 3상 저항 부하가 3상 4선식 회로에 접속되어 있을 때 단상 전력계를 그림과 같이 접속하였더니 그 지시 값이
W
W
W
[W]이었다. 이 부하의 3상 전력 [W]은?
1.
2
W
2
\sqrt{2}
2
W
2
W
2.
2
W
2W
2
W
3.
3
W
3
\sqrt{3}
3
W
3
W
4.
3
W
3W
3
W
💡 로그인하면 학습 진행률이 자동으로 저장되고, 북마크와 오답노트를 사용할 수 있습니다.
이전
다음