2023년 전기기능사 3회차 40번 - 기출문제 및 해설

문제 1

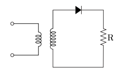
반파 정류회로에서 변압기 22차 전압의 실효치를 [V]\rm[V]라 하면 직류 전류 평균치는? (단, 정류기의 전압강하는 무시한다.)