2014년 용접기능사 2회차 53번 - 기출문제 및 해설
문제 1
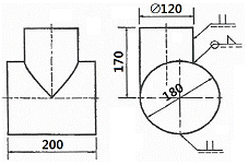
도면에서의 지시한 용접법으로 바르게 짝지어진 것은?
1.
이면 용접, 필릿 용접
2.
겹치기 용접, 플러그 용접
3.
평형 맞대기 용접, 필릿 용접
4.
심 용접, 겹치기 용접
💡 로그인하면 학습 진행률이 자동으로 저장되고, 북마크와 오답노트를 사용할 수 있습니다.
이전
다음