2016년 건설안전산업기사 1회차 58번 - 기출문제 및 해설
문제 1
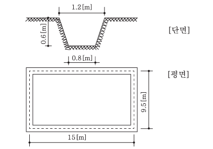
그림과 같은 줄기초 파기에서 파낸 흙을 한 번에 운반하고자 할 때
4
[
t
o
n
]
4[ton]
4
[
t
o
n
]
트럭 약 몇 대가 필요한가? (단, 파낸 흙의 부피증가율은 20[%], 파낸 흙의 단위중량은
1.8
[
t
/
m
3
]
1.8[t/m^{3}]
1.8
[
t
/
m
3
]
)
1.
10대
2.
16대
3.
20대
4.
25대
💡 로그인하면 학습 진행률이 자동으로 저장되고, 북마크와 오답노트를 사용할 수 있습니다.
이전
다음