2020년 토목기사 4회차 11번 - 기출문제 및 해설
문제 1
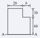
그림과 같은 단면의 A-A축에 대한 단면 2차 모멘트는?
1.
558b⁴
2.
623b⁴
3.
685b⁴
4.
729b⁴
💡 로그인하면 학습 진행률이 자동으로 저장되고, 북마크와 오답노트를 사용할 수 있습니다.
이전
다음